PPH Hot Melt Soket Redüktör DN20*15-100*80 GB Standart

Dünyevi Sarı Sıcakta Eriyen Soket PPH Redüktörler DN20*15-100*80 Kimyasal ve su temini için özel 4 inç Endüstriyel plastik boru kapağı bağlantı parçaları
Menşe Yeri: Çin
Marka adı: KXPV
Teknik: Dövme
Bağlantı: soket
Malzeme: PPH
Şekil: Eşit
Kafa Kodu: Kare
Renk: Dünyevi Sarı
Boyut: DN20*15-100*80
Uygulama: Endüstri
Ambalaj: Karton Kutu
Çalışma Basıncı: 1.6MPA
Teslimat Süresi: 7 Gün
Adedi: 1 Adet

Uygulama Sıcaklığına Bağlı Liste
Malzeme Orta sıcaklık° Malzeme Orta sıcaklık°
PVC-C -20°C~ 95°C PVC-U -5°C~ 45°C
FRPP -20°C~ 120°C PPK -20°C~ 110°C
PVDF 40°C~ 150°C

Ürün Yapısal Özellikleri

1. Yüksek Kristallik
Tek bir polipropilen monomerden yapılan moleküler zincir, etilen monomeri içermez; Moleküler zincir son derece düzenlidir ve uzun bir kullanım ömrü sunar.
2. Mükemmel Korozyon Direnci
1-14 pH aralığında yüksek konsantrasyonlu asit ve bazlardan kaynaklanan korozyona dayanabilir.
3. Isıya Dayanıklı, Yalıtım ve Enerji Tasarrufu
-20°C ile 110°C arasındaki sıcaklıklarda çalışabilir. Düşük ısı iletkenliği mükemmel yalıtım performansı sağlar.
4. Güvenilir Bağlantı
Sıcakta eriyen bağlantılar borunun kendisinden daha güçlüdür ve toprak hareketi veya yükler nedeniyle kırılmalarını önler.
5. Mükemmel İnşaat Performansı
Bu ürün hafiftir, basit bir kaynak işlemine sahiptir, kurulumu kolaydır ve karmaşık proses boruları için uygun olan düşük bir genel maliyet sunar. PPH boru sistemleri, elektrokaplama, dağlama, kimyasallar, ilaç, atık su arıtma ve çevre mühendisliği gibi endüstrilerde yaygın olarak kullanılmaktadır.

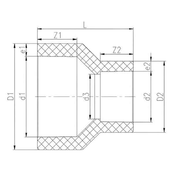
PPH Sıcak Eriyik Soket Redüktör

DN D1 D2 d1 d2 d3 L Z1 Z2 e1 e2
20*15 35 29 25 20 16 40 18 15 5 4.5
25*15 43 29 32 20 16 46 20 15 5.5 4.5
25*20 43 35 32 25 20 47 20 18 5.5 5
32*20 51 35 40 25 20 53 22 18 5.5 5
32*25 51 43 40 32 27 52 22 20 5.5 5.5
40*20 64 35 50 25 20 60 24 18 7 5
40*25 64 43 50 32 27 58 24 20 7 5.5
40*32 64 51 50 40 35 56 24 22 7 5.5
50*25 82 44 63 32 27 70 28.5 20.5 9.5 6
50*32 82 52 63 40 36 68 28.5 22.5 9.5 6
50*40 82 65 63 50 46 65 28.5 24.5 9.5 7.5
65*32 94 52 75 40 36 76 31 22 9.5 6
65*40 94 65 75 50 45 73 31 24 9.5 7.5
65*50 94 82 75 63 57 71 31 28 9.5 9.5
80*40 115.5 66 90 50 45 85 35 24 13 8
80*50 115.5 82.5 90 63 56 83 35 28 13 10
80*65 116 95 90 75 68 80 35 31.5 13 10
100*40 134 64.5 110 50 45 99 41 24 12 7.5
100*50 134 81.5 110 63 56.5 97 41 28 12 9.5
100*65 134 93 110 75 67.5 95 41 31 12 9
100*80 136 116 110 90 82 93.5 41 36 13 13
Mesaj Geri Bildirimi
Hakkımızda
Kaixin Pipeline Technologies Co., Ltd.
1999 yılında kurulmuştur, Kaixin Pipeline Technologies Co., Ltd. Araştırma ve geliştirme, üretim, satış ve hizmeti entegre eden yüksek teknoloji bir kuruluştur. Şirket, Ulusal Yüksek Teknoloji Kuruluşu, "Küçük Dev" Profesyonel ve Gelişmiş KOBİ, Ulusal Tek Ürün Şampiyonu (Yetiştirme), İl Teknoloji Tabanlı KOBİ, Ningbo Profesyonel ve Gelişmiş KOBİ, Ningbo Tek Ürün Şampiyonu (Yetiştirme), Ningbo Polimer Boru ve Vana Teknolojisi Ar-Ge Merkezi, İlçe Düzeyinde Yeşil Fabrika, Ningbo Dört Yıldızlı Yönetim İnovasyon Kuruluşu ve Kurumsal Veri Yönetimi Yeteneği Olgunluk Seviyesi 2 dahil olmak üzere birçok yetkili sertifika almıştır.
Şirketimiz, plastik vanalar, borular, boru bağlantı parçaları ve korozyona dayanıklı pompalar da dahil olmak üzere kimyasal uygulamalar için metal olmayan korozyona dayanıklı ürünlerin geliştirilmesi, üretimi ve tedarikinde uzmanlaşmıştır. Ürün portföyümüz, çeşitli tip ve özelliklerde PVC-C, PVC-U, PVDF, PPH ve FRPP gibi geniş bir malzeme yelpazesini kapsamaktadır. Özellikle kelebek vanalarımız DN1000 çapa kadar ulaşabilir ve boru ve bağlantı parçalarımız DN800'e kadar genişletilebilir; bu da pazar boşluklarını doldurmamıza ve sektörde rekabet avantajımızı korumamıza olanak tanır.
"Teknoloji odaklı, çağa ayak uyduran" ilkesi doğrultusunda Kaixin, araştırma ve geliştirmeye yıllık yaklaşık 10 milyon RMB ayırmaktadır. Standartlaştırılmış otomatik üretim ve ithal hammaddelerin titizlikle tedarik edilmesi yoluyla üstün ürün kalitesini garanti ediyoruz. Uluslararası gelişim stratejimiz doğrultusunda, küresel pazar trendlerini sürekli olarak izliyor ve dijital kanalları kullanarak dünya çapındaki müşterilerimize yüksek kaliteli "Çin Malı" ürünler sunuyoruz.
Ningbo-Fenghua Araştırma ve Geliştirme ve Üretim Üssü
Toplam 200 milyon RMB yatırımla Kaixin Ultra-Pure Pipe Technology (Ningbo) Co., Ltd., üniversiteler ve araştırma kurumlarıyla iş birliği yaparak yeni bir malzeme araştırma enstitüsü kurdu ve modern bir üretim üssü inşa etti. Bu tesiste, modifiye plastikler için sekiz ve polimer malzemeler için sekiz adet tam otomatik üretim hattı kuruldu. Tesis, yeni modifiye plastik ve polimer malzemelerin araştırma ve geliştirilmesi, üretimi ve uygulamasına adanmıştır. Kaixin ayrıca, polimer vanalar, borular ve bağlantı parçalarının araştırma ve geliştirilmesi ve üretiminde küresel olarak tanınan bir lider olmayı hedeflemekte ve çeşitli alanlardan üstün yetenekleri çekmeye, ürün inovasyonunu ve marka gelişimini sürekli olarak desteklemeye kararlıdır.
Şeref Belgesi
  • honor
  • honor
  • honor
  • honor
  • honor
  • honor
  • honor
  • honor
  • honor
Haberler