PVC-C Üniversal Soket Flanşı DN15-600 1/2"-24" ANSI Standardı

Yeni Tip Ortak Sığ Gri PVC-C Üniversal Soket Flanş DN15-DN600 Kimyasal Sıhhi Plastik Bağlantı Parçaları ANSI SCH80 Standardı
Menşei: Çin
Marka adı: KXPV
Malzeme: Plastik
Süreç: Dövme
Bağlantı: Soket
Şekil: Eşit
Kafa Kodu: Kare
Renk: Açık Gri
Boyut: DN15-DN600
Uygulama: Endüstri
Ambalaj: Karton
Çalışma Basıncı: 1 MPa
Teslimat Süresi: 7 Gün
Minimum Sipariş Miktarı: 1 Adet

Uygulama Sıcaklığına Bağlı Liste
Malzeme Orta sıcaklık° Malzeme Orta sıcaklık°
PVC-C -20°C~ 95°C PVC-U -5°C~ 45°C
FRPP -20°C~ 120°C PPK -20°C~ 110°C
PVDF 40°C~ 150°C

Ürün Yapısal Özellikleri

1.Mükemmel Kimyasal Direnç: Sıcaklık aralığı -20°C ila 95°C arasındadır. Ortamdaki iyon içeriği ultra saf su standartlarını karşılamaktadır. Hijyen performansı ulusal sanitasyon standartlarına uygundur.
2. Üstün Mukavemet, Tokluk ve Kimyasal Korozyon Direnci: Malzeme, kimyasal korozyona karşı üstün mukavemet ve direnç sunar.
3. Dayanıklılık: Olağanüstü yaşlanma direnci ve UV direnci, diğer boru sistemlerine kıyasla ömrünü önemli ölçüde uzatır.
4.Düşük Isı İletkenliği: Isı iletkenliği çeliğin yaklaşık 1/200'ü kadardır; alev geciktirici özellikleri kendiliğinden söner.
5.Hafif: Çelik boruların yalnızca 1/5'i ve bakır boruların 1/6'sı ağırlığındadır.
6.Düşük Direnç, Yüksek Akış Hızı: Pürüzsüz ve temiz boru duvarı, sıvıların taşınması sırasında minimum sürtünme direnci ve yapışma sağlar.
7.Kolay Kurulum, Düşük Maliyet: Yapıştırma, diş açma ve en basit şekilde yapıştırıcıyla bağlanabilir, uygun maliyetli ve kullanıcı dostu bir çözüm sunar.

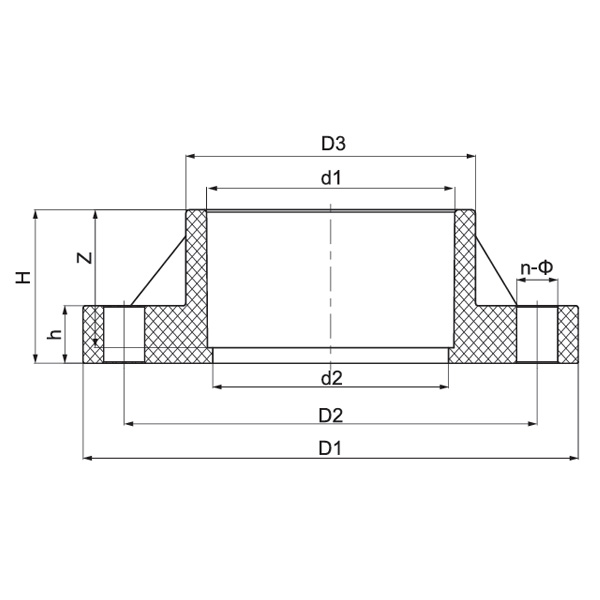
Boyut Listesi

Şartname D1
(mm)
D2
(mm)
D3
(mm)
d1
(mm)
d2
(mm)
H
(mm)
h
(mm)
Z
(mm)
n-Φ
(mm)
1/2″(15) 89 60 31.5 21.34 18 27 16 22.5 4-Φ16
3/4″(20) 95 70 37 26.67 23 30.5 18 25.5 4-Φ16
1″(25) 108 79 45 33.4 29 34.5 18 29 4-Φ16
1¼″(32) 117 89 54.5 42.16 38 37.5 18 32 4-Φ16
1½″(40) 127 98 61 48.26 44 40.5 20 35 4-Φ16
2″(50) 152 121 74 60.32 55 44.5 20 38.5 4-Φ19
2½″(65) 178 140 90 73.02 68 51 20 45 4-Φ19
3″(80) 191 152 107 88.9 83 54.5 21 48 4-Φ19
4″(100) 229 191 134 114.3 109 64 24 57.5 8-Φ19
5″(125) 254 216 163 141.3 134 73.5 25 67 8-Φ22
6″(150) 279 241 192 168.28 160 83.5 25 76.5 8-Φ22
8″(200) 343 299 247 219.08 210 109 29 102 8-Φ22
Mesaj Geri Bildirimi
Hakkımızda
Kaixin Pipeline Technologies Co., Ltd.
1999 yılında kurulmuştur, Kaixin Pipeline Technologies Co., Ltd. Araştırma ve geliştirme, üretim, satış ve hizmeti entegre eden yüksek teknoloji bir kuruluştur. Şirket, Ulusal Yüksek Teknoloji Kuruluşu, "Küçük Dev" Profesyonel ve Gelişmiş KOBİ, Ulusal Tek Ürün Şampiyonu (Yetiştirme), İl Teknoloji Tabanlı KOBİ, Ningbo Profesyonel ve Gelişmiş KOBİ, Ningbo Tek Ürün Şampiyonu (Yetiştirme), Ningbo Polimer Boru ve Vana Teknolojisi Ar-Ge Merkezi, İlçe Düzeyinde Yeşil Fabrika, Ningbo Dört Yıldızlı Yönetim İnovasyon Kuruluşu ve Kurumsal Veri Yönetimi Yeteneği Olgunluk Seviyesi 2 dahil olmak üzere birçok yetkili sertifika almıştır.
Şirketimiz, plastik vanalar, borular, boru bağlantı parçaları ve korozyona dayanıklı pompalar da dahil olmak üzere kimyasal uygulamalar için metal olmayan korozyona dayanıklı ürünlerin geliştirilmesi, üretimi ve tedarikinde uzmanlaşmıştır. Ürün portföyümüz, çeşitli tip ve özelliklerde PVC-C, PVC-U, PVDF, PPH ve FRPP gibi geniş bir malzeme yelpazesini kapsamaktadır. Özellikle kelebek vanalarımız DN1000 çapa kadar ulaşabilir ve boru ve bağlantı parçalarımız DN800'e kadar genişletilebilir; bu da pazar boşluklarını doldurmamıza ve sektörde rekabet avantajımızı korumamıza olanak tanır.
"Teknoloji odaklı, çağa ayak uyduran" ilkesi doğrultusunda Kaixin, araştırma ve geliştirmeye yıllık yaklaşık 10 milyon RMB ayırmaktadır. Standartlaştırılmış otomatik üretim ve ithal hammaddelerin titizlikle tedarik edilmesi yoluyla üstün ürün kalitesini garanti ediyoruz. Uluslararası gelişim stratejimiz doğrultusunda, küresel pazar trendlerini sürekli olarak izliyor ve dijital kanalları kullanarak dünya çapındaki müşterilerimize yüksek kaliteli "Çin Malı" ürünler sunuyoruz.
Ningbo-Fenghua Araştırma ve Geliştirme ve Üretim Üssü
Toplam 200 milyon RMB yatırımla Kaixin Ultra-Pure Pipe Technology (Ningbo) Co., Ltd., üniversiteler ve araştırma kurumlarıyla iş birliği yaparak yeni bir malzeme araştırma enstitüsü kurdu ve modern bir üretim üssü inşa etti. Bu tesiste, modifiye plastikler için sekiz ve polimer malzemeler için sekiz adet tam otomatik üretim hattı kuruldu. Tesis, yeni modifiye plastik ve polimer malzemelerin araştırma ve geliştirilmesi, üretimi ve uygulamasına adanmıştır. Kaixin ayrıca, polimer vanalar, borular ve bağlantı parçalarının araştırma ve geliştirilmesi ve üretiminde küresel olarak tanınan bir lider olmayı hedeflemekte ve çeşitli alanlardan üstün yetenekleri çekmeye, ürün inovasyonunu ve marka gelişimini sürekli olarak desteklemeye kararlıdır.
Şeref Belgesi
  • honor
  • honor
  • honor
  • honor
  • honor
  • honor
  • honor
  • honor
  • honor
Haberler