PVC-U Redüksiyon Tee DN15*20-600*500 1/2*3/4"-24*20" ANSI Standardı

Yüksek Kaliteli Koyu Gri PVC-U Redüksiyon Tee, İçten Dişli ve Soket Bağlantılı, Kimyasal ve Su Kullanımına Yönelik Plastik Boru Bağlantı Elemanı, ANSI SCH80 Standardı
Menşei: Çin
Marka adı: KXPV
Süreç: Dövme
Bağlantı Tipi: Dişi, Soket
Şekil: Azaltma
Kafa Kodu: Yuvarlak
Renk: Koyu Gri
Uygulama: Endüstriyel ve Kimyasal
Malzeme: PVC-U
Teslimat Süresi: 7 Gün
Minimum Sipariş Miktarı: 1 Adet
Tedarik Kapasitesi: 10.000 Adet/Ay

Uygulama Sıcaklığına Bağlı Liste
Malzeme Orta sıcaklık° Malzeme Orta sıcaklık°
PVC-C -20°C~ 95°C PVC-U -5°C~ 45°C
FRPP -20°C~ 120°C PPK -20°C~ 110°C
PVDF 40°C~ 150°C

Ürün Yapısal Özellikleri

1.Hafif: PVC-U malzeme, dökme demirin ağırlığının yalnızca 1/10'una sasaiptir, taşıma ve kurulumu kolaylaştırır, böylece maliyetleri azaltır.
2.Mükemmel Kimyasal Direnç: PVC-U, doymaya yakın güçlü asitler ve bazlar saariç, asitlere ve alkalilere karşı mükemmel direnç sunar.
3. Dayanıklı: PVC-U olağanüstü hava koşullarına dayanıklıdır ve bakteri veya mantarların neden olduğu korozyona karşı duyarlı değildir.
4.İletken değildir: PVC-U malzemesi elektriği iletmez ve elektrik akımlarından kaynaklanan korozyona maruz kalmaz, böylece ikincil işlem ihtiyacını ortadan kaldırır. Yanıcı değildir ve yanmayı desteklemez, dolayısıyla yangın tehlikesi yoktur.
5.Düşük Direnç, Yüksek Akış Hızı: Pürüzsüz iç duvarlar sıvı akış kaybını en aza indirir ve kir, pürüzsüz boru yüzeyine kolayca yapışmaz, bakımı kolaylaştırır ve bakım maliyetlerini azaltır.
6.Kolay Kurulum, Düşük Maliyet: PVC-U boruların kesilmesi ve bağlanması basittir. PVC tutkal bağlantılarının güvenli, güvenilir, kullanımı kolay ve uygun maliyetli olduğu kanıtlanmıştır.

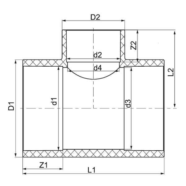
PVC Azaltıcı Tee

DN D1 D2 d1 d2 d3 d4 L h Z1 Z2 e1 e2
20*15 31.5 26 25 20 20 16 65.5 29.5 19 19 3.2 3
25*15 41 27 32 20 27 16 80.5 33.5 22 19 4.5 3.5
25*20 41 31.5 32 25 27 20 80.5 36.5 22 19 4.5 3.2
32*15 50.5 26 40 20 34 16 96.5 37.25 26 16.5 5.2 3
32*20 50.5 31.5 40 25 34 20 96.5 40.25 26 19 5.2 3.2
32*25 50.5 41 40 32 34 27 96.5 43.65 26 22 5.2 4.5
40*15 63.5 27 50 20 44 16 116 42.85 31 16 6.7 3.5
40*20 63.5 33 50 25 44 20 116 45.75 31 19 6.7 4
40*25 63.5 43 50 32 44 27 116 48.65 31 22 6.7 5.5
40*32 63.5 51 50 40 44 34 116 52.45 31 26 6.7 5.3
50*20 79 33 63 25 55 20 143 52 38 19 8 3.8
50*25 79 41 63 32 55 27 143 55.3 38 22 8 4.5
50*32 79 50.5 63 40 55 34 143 60 38 26 8 5.3
50*40 79 63.5 63 50 55 44 143 63.5 38 31 8 6.6
65*25 94.5 41 75 32 69 27 168 70.5 44 22 9.7 4.5
65*32 94.5 50.5 75 40 69 34 168 64 44 26 9.7 5.2
65*40 94.5 63 75 50 69 44 168 70 44 31 9.7 6.5
65*50 94.5 79.5 75 63 69 55 168 79 44 38 9.7 8.2
80*20 114 42.5 90 25 87 20 197 68.5 50.5 18.5 12 8.7
80*25 114 42.5 90 32 87 27 197 68.5 50.5 22 12 5.2
80*32 114 52 90 40 87 34 197 73.5 50.5 26 12 5.8
80*40 114 63.5 90 50 87 44 197 78.5 50.5 31 12 6.7
80*50 114 80 90 63 87 55 197 83 50.5 38 12 8.4
80*65 114 95 90 75 87 69 197 92 50.5 44 12 10
100*25 134 41 110 32 106 27 237 77 61 22.5 12 4.4
100*32 134 50 110 40 106 34 237 85 61 26 12 5
100*40 134 63 110 50 106 44 237 89 61 31 12 6.5
100*50 134 79 110 63 106 55 237 89 61 37.5 12 8
100*65 134 94.5 110 75 106 69 237 100 61 44 12 9.7
100*80 134 113.5 110 90 106 87 237 107 61 51 12 11.7
125*50 163 113 140 63 135 55 297.5 132.5 77 37.5 11.5 8
125*80 163 113 140 90 135 87 297.5 132.5 77 50.5 11.5 11.5
125*100 163 134 140 110 135 106 297.5 138.5 77 60.5 11.5 12

DN D1 D2 d1 d2 d3 d4 L h Z1 Z2 e1 e2
150*50 185.5 79.5 160 63 156 55 337 117.5 85.5 38 12.7 8.2
150*65 185.5 95 160 75 156 69 337 128.5 85.5 44 12.7 10
150*80 185.5 113 160 90 156 87 337 132.5 85.5 51 12.7 11.5
150*100 185.5 134.5 160 110 156 106 337 142.5 85.5 60.5 12.7 12.2
150*125 185.5 162 160 140 156 135 337 159.5 85.5 77 12.7 11
200*50 261 75 225 63 219 59 420 157.5 119 38 18 6
200*65 261 89 225 75 219 71 420 163 119 44 18 7
200*80 261 106 225 90 219 86 420 171 119 51 18 8
200*100 261 129 225 110 219 105 420 181 119 61 18 9.5
250*125 308 161 280 140 270 130 538 225 146 76 14 10.5
250*150 308 184 280 160 270 150 538 235 146 86 14 12
250*200 308 248 280 225 270 219 538 268 146 119 14 11.5
300*200 346 249 315 225 310 219 662 281 163.5 113.5 15.5 12
350*150 390 184 355 160 340 154 749 276.5 184 86 17.5 12
350*200 390 249 355 225 340 219 749 309 184 118.5 17.5 12
450*300 494 346 450 315 430 304 944 448 231 164 22 15.5
Mesaj Geri Bildirimi
Hakkımızda
Kaixin Pipeline Technologies Co., Ltd.
1999 yılında kurulmuştur, Kaixin Pipeline Technologies Co., Ltd. Araştırma ve geliştirme, üretim, satış ve hizmeti entegre eden yüksek teknoloji bir kuruluştur. Şirket, Ulusal Yüksek Teknoloji Kuruluşu, "Küçük Dev" Profesyonel ve Gelişmiş KOBİ, Ulusal Tek Ürün Şampiyonu (Yetiştirme), İl Teknoloji Tabanlı KOBİ, Ningbo Profesyonel ve Gelişmiş KOBİ, Ningbo Tek Ürün Şampiyonu (Yetiştirme), Ningbo Polimer Boru ve Vana Teknolojisi Ar-Ge Merkezi, İlçe Düzeyinde Yeşil Fabrika, Ningbo Dört Yıldızlı Yönetim İnovasyon Kuruluşu ve Kurumsal Veri Yönetimi Yeteneği Olgunluk Seviyesi 2 dahil olmak üzere birçok yetkili sertifika almıştır.
Şirketimiz, plastik vanalar, borular, boru bağlantı parçaları ve korozyona dayanıklı pompalar da dahil olmak üzere kimyasal uygulamalar için metal olmayan korozyona dayanıklı ürünlerin geliştirilmesi, üretimi ve tedarikinde uzmanlaşmıştır. Ürün portföyümüz, çeşitli tip ve özelliklerde PVC-C, PVC-U, PVDF, PPH ve FRPP gibi geniş bir malzeme yelpazesini kapsamaktadır. Özellikle kelebek vanalarımız DN1000 çapa kadar ulaşabilir ve boru ve bağlantı parçalarımız DN800'e kadar genişletilebilir; bu da pazar boşluklarını doldurmamıza ve sektörde rekabet avantajımızı korumamıza olanak tanır.
"Teknoloji odaklı, çağa ayak uyduran" ilkesi doğrultusunda Kaixin, araştırma ve geliştirmeye yıllık yaklaşık 10 milyon RMB ayırmaktadır. Standartlaştırılmış otomatik üretim ve ithal hammaddelerin titizlikle tedarik edilmesi yoluyla üstün ürün kalitesini garanti ediyoruz. Uluslararası gelişim stratejimiz doğrultusunda, küresel pazar trendlerini sürekli olarak izliyor ve dijital kanalları kullanarak dünya çapındaki müşterilerimize yüksek kaliteli "Çin Malı" ürünler sunuyoruz.
Ningbo-Fenghua Araştırma ve Geliştirme ve Üretim Üssü
Toplam 200 milyon RMB yatırımla Kaixin Ultra-Pure Pipe Technology (Ningbo) Co., Ltd., üniversiteler ve araştırma kurumlarıyla iş birliği yaparak yeni bir malzeme araştırma enstitüsü kurdu ve modern bir üretim üssü inşa etti. Bu tesiste, modifiye plastikler için sekiz ve polimer malzemeler için sekiz adet tam otomatik üretim hattı kuruldu. Tesis, yeni modifiye plastik ve polimer malzemelerin araştırma ve geliştirilmesi, üretimi ve uygulamasına adanmıştır. Kaixin ayrıca, polimer vanalar, borular ve bağlantı parçalarının araştırma ve geliştirilmesi ve üretiminde küresel olarak tanınan bir lider olmayı hedeflemekte ve çeşitli alanlardan üstün yetenekleri çekmeye, ürün inovasyonunu ve marka gelişimini sürekli olarak desteklemeye kararlıdır.
Şeref Belgesi
  • honor
  • honor
  • honor
  • honor
  • honor
  • honor
  • honor
  • honor
  • honor
Haberler