Uygulama Sıcaklığına Bağlı Liste
Malzeme Orta sıcaklık° Malzeme Orta sıcaklık°
PVC-C -20°C~ 95°C PVC-U -5°C~ 45°C
FRPP -20°C~ 120°C PPK -20°C~ 110°C
PVDF 40°C~ 150°C

Ürün Yapısal Özellikleri

1. Hafif: PVC-U, dökme demirin ağırlığının yalnızca 1/10'u kadardır; taşımayı ve kurulumu kolaylaştırır, maliyetleri azaltır.
2. Üstün Kimyasal Direnç: PVC-U, doyma noktalarına yakın güçlü asitler ve alkaliler saariç, asitlere ve alkalilere karşı mükemmel dirence sahiptir.
3. Dayanıklı: PVC-U mükemmel hava koşullarına dayanıklılık sunar ve bakteri ve mantarların neden olduğu korozyona karşı dayanıklıdır.
4. İletken değildir: PVC-U iletken değildir ve elektroliz veya elektrik akımı nedeniyle korozyona karşı hassas değildir, bu da ikincil işlem ihtiyacını ortadan kaldırır. Yanıcı değildir ve yanmayı desteklemediğinden yangın güvenliği endişelerini ortadan kaldırır.
5. Düşük direnç ve yüksek akış hızı: Pürüzsüz iç duvar, sıvı akış kaybını en aza indirir ve kirin pürüzsüz boru yüzeyine yapışması daha az olasıdır, bu da bakımı basit ve uygun maliyetli hale getirir.
6. Kolay Kurulum ve Düşük Maliyet: Kesme ve birleştirme basittir. PVC yapıştırıcının güvenli, güvenilir, kullanımı kolay ve uygun maliyetli olduğu kanıtlanmıştır.

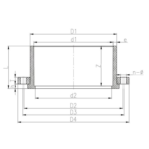
PVC-U Vanstone Flanş

DN D1 D2 D3 D4 d1 d2 L T h Z n-Φ
15 27 59 70 95 20 18 22 16 1.5 16 4-Φ15X20,5
20 32 70 75 105 25 23 25 18 1.5 19 4-15X17.5
25 40 79 90 125 32 29 28 18 1.5 22 4-Φ15X20,5
32 50 89 100 140 40 36 31.5 20 1.5 26 4-Φ18X24,5
4 61 98 110 150 50 4 37 20 2 31 4-Φ18X24
50 75 120 125 165 63 58 44 25 2 38 4-Φ18X20,5
65 88 140 145 185 75 69 50 25 2 44 4-Φ18X20,5
80 105 150 160 200 90 84 57 26 2.5 51 8-Φ18X23
100 127 175 190.5 229 110 105 67 26 2.5 61 8-Φ18X26
125 161 210 250 140 130 84 28 12.5 77 8-Φ19
150 182 240 285 160 150 93 31 12.5 85 8-Φ23
200 249 295 339 225 215 127 36 16 119 8-Φ23X25
200 254 295.8 341 225 215 127 33.1 16 119 12-Φ22
250 308 350 395 280 267 154 40.5 16.5 144 12-Φ23
300 346 400 445 315 305 170 43 18 160 12-Φ23
350 395 460 505 355 340 176 43 16 164.5 16-Φ23
400 442 515 570 400 382 219 43 22 200 16-Φ27
450 494 565 625 450 430 220 40 27 210 20-Φ26
500 548 620 670 500 475 210 43 25 185 20-Φ27
Mesaj Geri Bildirimi
Hakkımızda
Kaixin Pipeline Technologies Co., Ltd.
1999 yılında kurulmuştur, Kaixin Pipeline Technologies Co., Ltd. Araştırma ve geliştirme, üretim, satış ve hizmeti entegre eden yüksek teknoloji bir kuruluştur. Şirket, Ulusal Yüksek Teknoloji Kuruluşu, "Küçük Dev" Profesyonel ve Gelişmiş KOBİ, Ulusal Tek Ürün Şampiyonu (Yetiştirme), İl Teknoloji Tabanlı KOBİ, Ningbo Profesyonel ve Gelişmiş KOBİ, Ningbo Tek Ürün Şampiyonu (Yetiştirme), Ningbo Polimer Boru ve Vana Teknolojisi Ar-Ge Merkezi, İlçe Düzeyinde Yeşil Fabrika, Ningbo Dört Yıldızlı Yönetim İnovasyon Kuruluşu ve Kurumsal Veri Yönetimi Yeteneği Olgunluk Seviyesi 2 dahil olmak üzere birçok yetkili sertifika almıştır.
Şirketimiz, plastik vanalar, borular, boru bağlantı parçaları ve korozyona dayanıklı pompalar da dahil olmak üzere kimyasal uygulamalar için metal olmayan korozyona dayanıklı ürünlerin geliştirilmesi, üretimi ve tedarikinde uzmanlaşmıştır. Ürün portföyümüz, çeşitli tip ve özelliklerde PVC-C, PVC-U, PVDF, PPH ve FRPP gibi geniş bir malzeme yelpazesini kapsamaktadır. Özellikle kelebek vanalarımız DN1000 çapa kadar ulaşabilir ve boru ve bağlantı parçalarımız DN800'e kadar genişletilebilir; bu da pazar boşluklarını doldurmamıza ve sektörde rekabet avantajımızı korumamıza olanak tanır.
"Teknoloji odaklı, çağa ayak uyduran" ilkesi doğrultusunda Kaixin, araştırma ve geliştirmeye yıllık yaklaşık 10 milyon RMB ayırmaktadır. Standartlaştırılmış otomatik üretim ve ithal hammaddelerin titizlikle tedarik edilmesi yoluyla üstün ürün kalitesini garanti ediyoruz. Uluslararası gelişim stratejimiz doğrultusunda, küresel pazar trendlerini sürekli olarak izliyor ve dijital kanalları kullanarak dünya çapındaki müşterilerimize yüksek kaliteli "Çin Malı" ürünler sunuyoruz.
Ningbo-Fenghua Araştırma ve Geliştirme ve Üretim Üssü
Toplam 200 milyon RMB yatırımla Kaixin Ultra-Pure Pipe Technology (Ningbo) Co., Ltd., üniversiteler ve araştırma kurumlarıyla iş birliği yaparak yeni bir malzeme araştırma enstitüsü kurdu ve modern bir üretim üssü inşa etti. Bu tesiste, modifiye plastikler için sekiz ve polimer malzemeler için sekiz adet tam otomatik üretim hattı kuruldu. Tesis, yeni modifiye plastik ve polimer malzemelerin araştırma ve geliştirilmesi, üretimi ve uygulamasına adanmıştır. Kaixin ayrıca, polimer vanalar, borular ve bağlantı parçalarının araştırma ve geliştirilmesi ve üretiminde küresel olarak tanınan bir lider olmayı hedeflemekte ve çeşitli alanlardan üstün yetenekleri çekmeye, ürün inovasyonunu ve marka gelişimini sürekli olarak desteklemeye kararlıdır.
Şeref Belgesi
  • honor
  • honor
  • honor
  • honor
  • honor
  • honor
  • honor
  • honor
  • honor
Haberler