PPH Gözetleme Cami DN25-200 1"-8" ANSI Standardı

Bej PPH Gözetleme Camı Boru Şeklinde Yağ Sıvı Seviyesi Basınç Düşürücü DN15-200 Plastik PPH Gözetleme Camı Akış Göstergesi ANSI Standardı
Menşei: Zhejiang, Ningbo
Marka adı: KXPV
Süreç: Dövme
Bağlantı Tipi: Flanşlı
Şekil: Redüktör
Malzeme: PPH
Renk: Bej
Kafa Kodu: Altıgen
Ürün adı: Gözetleme Camisi
Boyut: DN15-200
Ücret Süresi: 7 Gün
Minimum Sipariş Miktarı: 1 Adet
Tedarik Kapasitesi: 10.000 Adet/Ay

Basınç Sınıfı: 1.0Mpa(10bar)

Uygulama Sıcaklığına Bağlı Liste

Malzeme Orta sıcaklık° Malzeme Orta sıcaklık°
PVC-C -20°C~ 95°C PVC-U -5°C~ 45°C
FRPP -20°C~ 120°C PPK -20°C~ 110°C
PVDF 40°C~ 150°C

Ürün Yapısal Özellikleri

1.Kompakt ve estetik açıdan hoş tasarım.
2. Kolay kurulum için basit gövde.
3. Aşınmaya dayanıklı, sökülmesi kolay ve bakımı basit.
4. Güçlü korozyon direnci ve geniş uygulama sunan borosilikat camdan yapılmıştır.
Uzun servis ömrüyle ve zorlu çalışma ortamlarına uygundur

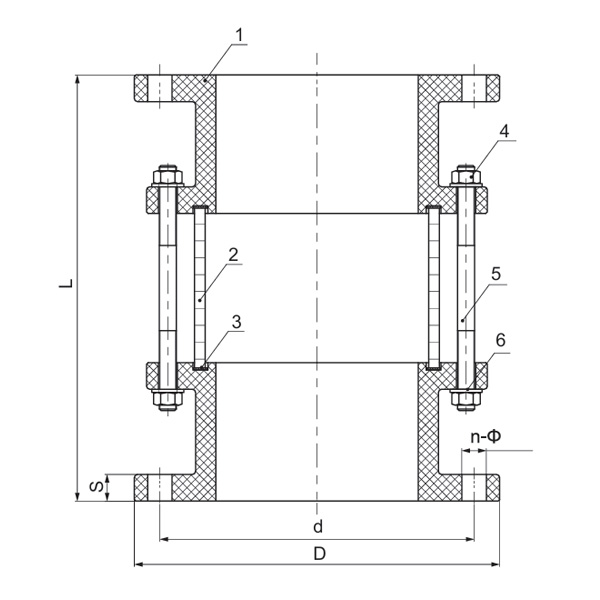
Parça Malzeme Tablosu

Hayır. İsim Malzeme Adet
PVC-C PVC-U PVDF PPK FRPP
1 Baz PVC-C PVC-U PVDF PPK FRPP 2
2 Kam BSi BSi BSi BSi BSi 1
3 Sızdırmazlık lastikleri FPM EPDM FPM EPDM EPDM 2
4 Altıgen somun 304 Demir 304 Demir Demir 16-32
5 Çift başlıklı saplama 304 Demir 304 Demir Demir 4-8
6 Doldurma parçası 304 Demir 304 Demir Demir 16-32
Boyut Listesi



Şartname D(mm) d(mm) uzunluk(mm) s(mm) n-Φ(mm)
1"(25) 115 79 238 15 4-Φ16
1½"(40) 150 98 230 16 4-Φ16
2"(50) 165 121 233 17 4-Φ19
2½"(65) 195 140 277 20 4-Φ19
3"(80) 195 152 277 20 8-Φ19
4"(100) 220 191 310 21 8-Φ19
5"(125) 250 216 350 26 8-Φ22
6"(150) 285 241 385 27 8-Φ23
8"(200) 340 299 400 25 8-Φ23x29
Mesaj Geri Bildirimi
Hakkımızda
Kaixin Pipeline Technologies Co., Ltd.
1999 yılında kurulmuştur, Kaixin Pipeline Technologies Co., Ltd. Araştırma ve geliştirme, üretim, satış ve hizmeti entegre eden yüksek teknoloji bir kuruluştur. Şirket, Ulusal Yüksek Teknoloji Kuruluşu, "Küçük Dev" Profesyonel ve Gelişmiş KOBİ, Ulusal Tek Ürün Şampiyonu (Yetiştirme), İl Teknoloji Tabanlı KOBİ, Ningbo Profesyonel ve Gelişmiş KOBİ, Ningbo Tek Ürün Şampiyonu (Yetiştirme), Ningbo Polimer Boru ve Vana Teknolojisi Ar-Ge Merkezi, İlçe Düzeyinde Yeşil Fabrika, Ningbo Dört Yıldızlı Yönetim İnovasyon Kuruluşu ve Kurumsal Veri Yönetimi Yeteneği Olgunluk Seviyesi 2 dahil olmak üzere birçok yetkili sertifika almıştır.
Şirketimiz, plastik vanalar, borular, boru bağlantı parçaları ve korozyona dayanıklı pompalar da dahil olmak üzere kimyasal uygulamalar için metal olmayan korozyona dayanıklı ürünlerin geliştirilmesi, üretimi ve tedarikinde uzmanlaşmıştır. Ürün portföyümüz, çeşitli tip ve özelliklerde PVC-C, PVC-U, PVDF, PPH ve FRPP gibi geniş bir malzeme yelpazesini kapsamaktadır. Özellikle kelebek vanalarımız DN1000 çapa kadar ulaşabilir ve boru ve bağlantı parçalarımız DN800'e kadar genişletilebilir; bu da pazar boşluklarını doldurmamıza ve sektörde rekabet avantajımızı korumamıza olanak tanır.
"Teknoloji odaklı, çağa ayak uyduran" ilkesi doğrultusunda Kaixin, araştırma ve geliştirmeye yıllık yaklaşık 10 milyon RMB ayırmaktadır. Standartlaştırılmış otomatik üretim ve ithal hammaddelerin titizlikle tedarik edilmesi yoluyla üstün ürün kalitesini garanti ediyoruz. Uluslararası gelişim stratejimiz doğrultusunda, küresel pazar trendlerini sürekli olarak izliyor ve dijital kanalları kullanarak dünya çapındaki müşterilerimize yüksek kaliteli "Çin Malı" ürünler sunuyoruz.
Ningbo-Fenghua Araştırma ve Geliştirme ve Üretim Üssü
Toplam 200 milyon RMB yatırımla Kaixin Ultra-Pure Pipe Technology (Ningbo) Co., Ltd., üniversiteler ve araştırma kurumlarıyla iş birliği yaparak yeni bir malzeme araştırma enstitüsü kurdu ve modern bir üretim üssü inşa etti. Bu tesiste, modifiye plastikler için sekiz ve polimer malzemeler için sekiz adet tam otomatik üretim hattı kuruldu. Tesis, yeni modifiye plastik ve polimer malzemelerin araştırma ve geliştirilmesi, üretimi ve uygulamasına adanmıştır. Kaixin ayrıca, polimer vanalar, borular ve bağlantı parçalarının araştırma ve geliştirilmesi ve üretiminde küresel olarak tanınan bir lider olmayı hedeflemekte ve çeşitli alanlardan üstün yetenekleri çekmeye, ürün inovasyonunu ve marka gelişimini sürekli olarak desteklemeye kararlıdır.
Şeref Belgesi
  • honor
  • honor
  • honor
  • honor
  • honor
  • honor
  • honor
  • honor
  • honor
Haberler